۰۶ دی ۱۴۰۴
به روز شده در: ۰۶ دی ۱۴۰۴ - ۰۹:۲۵
فیلم بیشتر »»
کد خبر ۳۳۹۹۴۶
تعداد نظرات: ۵ نظر
تاریخ انتشار: ۲۱:۱۲ - ۱۹-۰۳-۱۳۹۳
کد ۳۳۹۹۴۶
انتشار: ۲۱:۱۲ - ۱۹-۰۳-۱۳۹۳

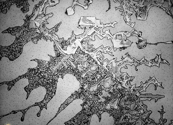
اشک انسان زیر میکروسکوپ (عکس)

روزلین فیشر، عکاس معروفی است که تصمیم به عکسبرداری از قطرات اشک خود در صبح یک روز کاری گرفته و آن را با قرار دادن در زیر میکروسکوپ با بزرگنمایی 40 برابر مطالعه و تصویربرداری کرده است.

اشک انسان زیر میکروسکوپ (عکس)
برچسب ها: اشک ، میکروسکوپ
ارسال به دوستان
انتشار یافته: ۵
در انتظار بررسی: ۱۱
غیر قابل انتشار: ۰
ناشناس
Germany
۲۱:۳۰ - ۱۳۹۳/۰۳/۱۹
4
66
اشک غم است یا اشک شوق ؟/
ناشناس
Iran (Islamic Republic of)
۲۱:۳۲ - ۱۳۹۳/۰۳/۱۹
4
27
شبیه عکسای هوایی از رودخونه هاست......
ناشناس
Iran (Islamic Republic of)
۲۱:۴۷ - ۱۳۹۳/۰۳/۱۹
9
12
شکل ظاهری اشک زیر میکروسکوپ بستگی به علت و شدت گریه هم دارد
ناشناس
Iran (Islamic Republic of)
۲۱:۵۳ - ۱۳۹۳/۰۳/۱۹
2
19
اشک دل شکسته
ناشناس
Iran (Islamic Republic of)
۲۱:۵۶ - ۱۳۹۳/۰۳/۱۹
3
21
بزرگنمایی 400 نه 40.
نقشه انباشت طلا در بانک‌های مرکزی؛ بررسی ۱۲ کشور برتر از سال ۲۰۰۰ (+ اینفوگرافیک) روزنامه شرق: آقای پزشکیان! هنوز نمی خواهید به مردم گزارش بدهید اسب زین کرده‌ای که تحویل گرفتید چگونه بود؟ تست ۳۰ ثانیه‌ای که می‌تواند طول عمر شما را پیش‌بینی کند تیپ کریسمسی نیکی نصیریان؛ دختر رضا عطاران بزرگ شد! (عکس) غنی‌سازی آرد در آستانه تغییر؛ اسیدفولیک حذف می‌شود یا ادامه می‌یابد؟ واژگونی اتوبوس در بزرگراه تهران-کرج/ ۴ نفر مصدوم شدند اطلاعات: حاکمیت ایران بر جزایر سه گانه، سنگ محک سنجش عمق استراتژیک مسکو و پکن است استایل خاص شبنم مقدمی کنار همسرش در مراسم رونمایی کتاب (عکس) رآکتورهای همجوشی فقط انرژی تولید نمی‌کنند؛ شاید ماده تاریک نیز بسازند روزنامه جمهوری اسلامی: چرا در برابر طالبان کوتاه آمدید و ترورهای آنها را نادیده گرفتید؟ «فرانک» در 75 سالگی و در کنار گوهر خیراندیش؛ سال 98(عکس) شاهکار مهندسی برنی استریم‌لاین ؛ آیرودینامیک خودرو از اینجا شروع شد نه دوران مدرن! (فیلم) قیمت جهانی طلا امروز شنبه ۶ دی ۱۴۰۴ روزنامه کیهان «دستگاه قضائی و مراکز اطلاعاتی» را به ساده‌انگاری متهم کرد سقوط قیمت جهانی نفت امروز شنبه ۶ دی ۱۴۰۴
نظرسنجی
قوانین کنونی ازدواج و طلاق در ایران ...